 
      Irf3710 Images Irf3710 Mosfet Datasheet Pdf Equivalent
Spice Model Tutorial For Power Mosfets
 
      Basic Electronics Mosfet Tutorialspoint
 
         
      Irf540n Pinout Features Equivalent Datasheet
Fatigue Mechanisms In Al Based Metallizations In Power Mosfets
 
      2sk3075 Mosfet Datasheet Pdf Equivalent Cross Reference
 
      On Semiconductor 2n7000 Mosfet Transistor N Channel 200 Ma 60 V 1 2 Ohm 10 V 2 1 V
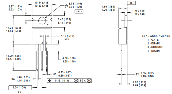
Pwr82325 100 4390342 Pdf Datasheet Download Ic On Line
 
      Dc And Cv Measurement Of Mosfet S For The Mos Models
 
      Safe Operating Area Wikipedia
 
      Mosfet Transistor Ic Fqa11n90c 11n90 11a 900v To 3p Buy Mosfet Ic Ic Mosfet Mosfet Transistor Product On Alibaba Com
 
      Irf540n Pinout Features Equivalent Datasheet
 
      The Metal Oxide Semiconductor Field Effect Transistor
 
      Transistor Equations Exam 1 Pdf Mosfet Equations Nmos
 
      Figure 12 From The Tunnel Source Pnpn N Mosfet A Novel
Comments
Post a Comment